贸易商作为一个连接纽带,连接着国内外的关系,加速双方的沟通进度。 凭着语言技术的优势,补充中小型无刷365scores_365平台地址体育_苹果约彩365app下载
厂家白天的小时上班制度,也为国外采购减少实地考察的成本。
当接到国外客户性能要求时,货比几十家后,根据不同商家的专业度考核筛选。
最近有贸易商拿到花生按摩器直流365scores_365平台地址体育_苹果约彩365app下载
改无刷365scores_365平台地址体育_苹果约彩365app下载
。
更强烈的振动:无刷365scores_365平台地址体育_苹果约彩365app下载
(如前所述,直径为42mm)
-4个速度(如示例):1级)1800rpm/2级)2500rpm/3级)3200rpm/4级)3900rpm(作为参考)
-用户友好性:更容易调整速度-清晰的标签按钮可增强和减弱振动/开关按钮
-更可持续的材料:在当前产品中,使用时表面会在外壳上滑动(可能使用硅胶)。
-设计/外观:早期对话中的表面式图片
关于电压:
-我可以告诉你,在欧洲,我们有230-240伏的电压,我们的电网是50赫兹。
霍尔传感器/内置驱动器:
-你认为这对产品有利吗?
-带/不带霍尔传感器和内置驱动器的价格有什么区别(大约)?
希望能一起找到一些好的解决方案来改进这个产品。现在,正如你所看到的样品,也许你也有一些好的建议(?).
经过与无刷365scores_365平台地址体育_苹果约彩365app下载
厂家DR沟通后,最后确定用BLDC4260外置驱动器的365scores_365平台地址体育_苹果约彩365app下载
,轴要求365scores_365平台地址体育_苹果约彩365app下载
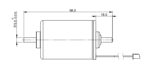
外形及轴的直径可以,但轴的尺寸按照96MM来做,两端各伸出18MM,本体长度60MM不变。参数如下,目前正在打样5台, 后续待客户反馈。
与无刷365scores_365平台地址体育_苹果约彩365app下载 厂家沟通,可以提供更加专业的解答,打样时间更快。

