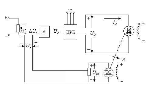
无刷365scores_365平台地址体育_苹果约彩365app下载 转速反馈闭环调速系统是一种基本的反馈控制系统,具有以下三个基本特征,就是反馈控制的基本规律, 各种不另加其他调节器的基本反馈控制系统都服从于这个规律
1. 被调量有静差

从无刷365scores_365平台地址体育_苹果约彩365app下载 原理图分析看得出来,由于采用比例放大器,闭环系统的开环放大系数值越大,系统的稳态性能越好。只要所设置的放大器仅仅是一个比例放大器,稳态速差只能减小,却不能消除,这样的调速系统叫做有静差调速系统,实际上,这种系统正是依靠被调量的偏差进行控制的。
2. 抵抗扰动,服从给定
无刷365scores_365平台地址体育_苹果约彩365app下载 反馈控制系统具有良好的抗扰性能,它能有效地抑制一切被负反馈所包围的前向通道上的扰动作用,但对给定作用的变化则唯命是从。
扰动除了给定信号外,作用在控制系统各环节上的一切会引起输出量变化的因素叫做“扰动作用”
3. 系统的精度依赖于给定和反馈检测的精度
给定精度,由于无刷365scores_365平台地址体育_苹果约彩365app下载 给定确定系统输出,输出精度滋扰取决于给定精度
如果产生给定电压的电源发生波动,反馈控制系统无法鉴别时给定电压的正常调节还是不应有的电压波动,因此,高精度的调速系统必须有更高精度的给定稳定电源。